RS050N
軸數:6軸
最大臂展:2,100mm
最大負載能力:50kg
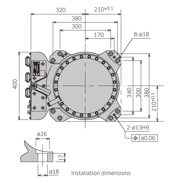
重復定位精度 (mm):±0.06
安裝方式:地面, 懸掛
本體重量(kg):555
保護等級:手腕: IP67同等 基座: IP65同等
RS050N
Number of axes: 6 axes
Maximum arm span: 2,100mm
Maximum load capacity: 50kg
Repeat positioning accuracy (mm): ±0.06
Installation method: ground, hanging
Body weight (kg): 555
Protection level: wrist: IP67 equivalent base: IP65 equivalent



