BA006N
軸數:6軸
最大臂展:1,445mm
最大負載能力:6kg
重復定位精度 (mm):±0.5
安裝方式:地面,懸掛
本體重量(kg):150
控制柜 / 所需電源:E01 / 5.6
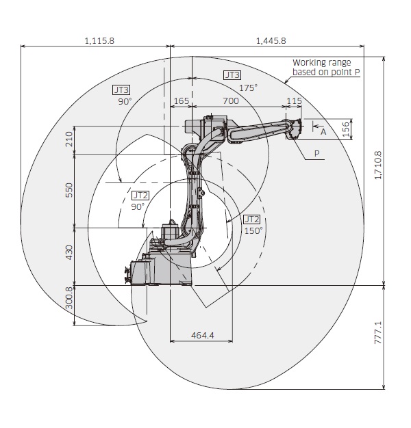
BA006N
Number of axes: 6 axes
Maximum arm span: 1,445mm
Maximum load capacity: 6kg
Repeat positioning accuracy (mm): ±0.5
Installation method: ground, suspended
Body weight (kg): 150
Control cabinet / power required: E01 / 5.6



